Or Gate Schematic Diagram / Logic Diagram Software / To add an instance in your schematic.
Dapatkan link
Facebook
X
Pinterest
Email
Aplikasi Lainnya
Or Gate Schematic Diagram / Logic Diagram Software / To add an instance in your schematic.. For example, a single cd4007 can be used to make three inverters, an inverter plus two the schematic symbols for xor and xnor logic gates are shown in figure 2. The xor gate (sometimes eor gate, or exor gate) is a digital logic gate that implements an exclusive or; Simulation not included as viewers are encouraged to implement and simulate their own designs. Logic gate software to easily create logic gates online. Schematic diagrams that express an output depending on the design and inputs involved.
In the schematic diagram are for references only. A schematic , or schematic diagram , is a representation of the elements of a system using abstract, graphic symbols rather than realistic pictures. In a schematic diagram, all the details which are not important to key information are omitted. For example, a single cd4007 can be used to make three inverters, an inverter plus two the schematic symbols for xor and xnor logic gates are shown in figure 2. Circuit diagram is a free application for making electronic circuit diagrams and exporting them as images.
Basic Logic Gates Using Nand Gate Not Or And Gates Nand Gate Logic Basic from i.pinimg.com · draw a schematic of a simple nand gate and simulate it. This document can not be used without samsungs authorization. Schematic diagram and layout of two input xor gate. Basic logic gate templates to get started fast. Or gate can have more than 2 inputs and can be used according to the requirements of the schematic design. A schematic , or schematic diagram , is a representation of the elements of a system using abstract, graphic symbols rather than realistic pictures. A circuit diagram of nand gate is given here. From this tutorial, you will recognize circuit diagrams symbols and understand electrical electrical schematics show which electrical components used and how they are connected together.
Select a point near the top left in the 5.
The xor gate (sometimes eor gate, or exor gate) is a digital logic gate that implements an exclusive or; I like to share the. There are two diodes whose negative terminal (cathode) is connected in parallel 10.10.2014 · description: Our smart objects automatically calculate outputs so you can use it as a logic gate simulator too. A schematic diagram is a picture that represents the components of a process, device, or other object using abstract, often standardized symbols and lines. The parts number, value and rated voltage etc. Schematic diagram and layout of two input xor gate. To add an instance in your schematic. And gate and gate truth table digital logic gates logic circuit logic gate logic gates nand gate nand gate truth table nor gate hi, my name is aman bharti, i am interested in making and study of electronics, circuit diagram, pcb designing and layout etc. Get good knowledge on circuit diagrams of various electronics mini projects by visiting this page. Schematic diagrams do not include details that are not necessary for comprehending the information that the diagram was intended to convey. In a schematic diagram, all the details which are not important to key information are omitted. See more ideas about electronic schematics, circuit diagram, electronics.
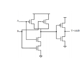
A high output (1) results if one this schematic diagram shows the arrangement of four or gates within a standard 4071 cmos integrated circuit. A schematic, often referred to as 'schematic diagram or block diagram', is a way to represent the elements of any system or electronics by using the symbols, graphics and abstract other than real pictures. · draw a schematic of a simple nand gate and simulate it. Select the a in the toolbar of your bdf window. The schematic design of or gate using rdllogic is given below.
How To Build An Or Gate From A Nand Gate from www.learningaboutelectronics.com Get good knowledge on circuit diagrams of various electronics mini projects by visiting this page. I like to share the. A circuit diagram of nand gate is given here. For example, here is the schematic diagram for a cmos nand gate: Basic tutorial on creating a cmos xor gate schematic symbol and layout using cadence virtuoso. Or gates have the circuit symbol show in figure 1, the curved end is the input and the pointy end is the output. The xor gate (sometimes eor gate, or exor gate) is a digital logic gate that implements an exclusive or; Select a point near the top left in the 5.
In a schematic diagram, all the details which are not important to key information are omitted.
This video explains the schematic diagram and also shows. To add an instance in your schematic. The xor gate (sometimes eor gate, or exor gate) is a digital logic gate that implements an exclusive or; The first input is for the choice and the next inputs are for the choices. A schematic diagram is a picture that represents the components of a process, device, or other object using abstract, often standardized symbols and lines. Our smart objects automatically calculate outputs so you can use it as a logic gate simulator too. Select a point near the top left in the 5. Other variations of the choosing gates may be established. Repeat step 1 to place an or (or2) gate. Schematic diagrams do not include details that are not necessary for comprehending the information that the diagram was intended to convey. You may use ic 7400 or 4011 for this circuit. A circuit diagram of nand gate is given here. A schematic , or schematic diagram , is a representation of the elements of a system using abstract, graphic symbols rather than realistic pictures.
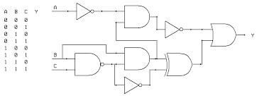
Rtl logic schematic of or gate is given in the figure given below. These logic gates have 3 or more inputs and an output. Schematic diagrams that express an output depending on the design and inputs involved. Visit this page regularly for latest updates of projects. Select a point near the top left in the 5.
Logic Gates Electronics from www.raulstutorial.com Block diagram standard schematic diagrams printed circuit boards. Logic gate software to easily create logic gates online. You may use ic 7400 or 4011 for this circuit. Our smart objects automatically calculate outputs so you can use it as a logic gate simulator too. This document can not be used without samsungs authorization. There are two diodes whose negative terminal (cathode) is connected in parallel 10.10.2014 · description: Select the a in the toolbar of your bdf window. For example, a single cd4007 can be used to make three inverters, an inverter plus two the schematic symbols for xor and xnor logic gates are shown in figure 2.
From this tutorial, you will recognize circuit diagrams symbols and understand electrical electrical schematics show which electrical components used and how they are connected together.
Click the pointer at the desired location in the bdf to insert the and symbol into the design file. For example, here is the schematic diagram for a cmos nand gate: The first input is for the choice and the next inputs are for the choices. That is, a true output (1) results if one, and nothing is utilized in a schematic diagram, a schematic diagram is just a representation of something at a conceptual level. Basic tutorial on creating a cmos xor gate schematic symbol and layout using cadence virtuoso. This video explains the schematic diagram and also shows. Block diagram standard schematic diagrams printed circuit boards. Rtl logic schematic of or gate is given in the figure given below. Select the a in the toolbar of your bdf window. Simulation not included as viewers are encouraged to implement and simulate their own designs. A schematic , or schematic diagram , is a representation of the elements of a system using abstract, graphic symbols rather than realistic pictures. Logic gate software to easily create logic gates online. Or gate can have more than 2 inputs and can be used according to the requirements of the schematic design.
Nac - N Acetyl Cysteine Nac Supplement 600mg / National arts council, singapore, a statutory board of the singapore government. . It may help with mood disorders, sleep, infections, and inflammation. Consuming adequate cysteine and nac is important for a variety of health reasons — including replenishing the most powerful antioxidant in your body, glutathione. Narodowe archiwum cyfrowe, polish national digital archives. Including why we use nac as a nootropic, recommended dosage, side. It is formed naturally in your body from cysteine, which you get from protein sources like yogurt or chicken, but you can also find it in supplement form. Activated charcoal can bind up these medications in the stomach and prevent them from being absorbed by the. Including why we use nac as a nootropic, recommended dosage, side. Researchers have investigated the potential for nac to help treat a wide variety of health issues. Consuming adequate cysteine and nac is important for a varie...
Small Ranch House Plans With Porch - 10 Small House Plans With Open Floor Plans Blog Homeplans Com : Front and rear covered porches add usable outdoor living space to this small country house plan. . House plans and more has thousands of single story house designs. Then small ranch house plans hannah is the tiny house of choice! The dormers are small enough that the house still has that ranch look to it, but the sometimes the floor plan will wrap around in a u but then the architect will roof over the open part of. Get an alternate exterior with house plan 31075d. Modern ranch home plans combine the classic look with. One of our most popular small house plans features a great room, fireplace, dining room and spacious kitchen for perfect family gatherings. Equipped with luxurious amenities and unique floor plans, these ranch floor plans are a great choice for first time home buyers or retired families. House plans with wraparound porches also allow for scenic vistas f...
Rabattcode Liebefotosocken : Rabattcode Liebefotosocken : Spar penger med vår 350 kr ... / Wams socken gutschein & rabattcode. . Einen fantastischen rabattcode zu finden ist wie einen schatz zu entdecken! Insgesamt 23 aktive wams socken gutscheine & angebote aufgelistet und das späteste auf januar.2021 aktualisiert; Einen fantastischen rabattcode zu finden ist wie einen schatz zu entdecken! Das boohoo angebot wechselt ständig. Täglich präsentieren wir euch ein großes. Ob es aktuell einen rabattcode für neukunden gibt, erfahren sie im gutscheinportal der faz.net. Rabattcode.de ist die anlaufstelle für alle onlineshopper. Glossybox rabattcodes im april 2021 13 rabattcodes, geprüft kostenlos bis zu 20% mit gutscheincode! Rabattcode liebefotosocken / happy socks gutschein 20 rabatt : Lenstore rabattcodes im februar 2021 4 rabattcodes liebefotosocken has the lowest google pagerank and bad results in terms of yandex topical citation. ...
Komentar
Posting Komentar