1986 Volvo 240 Wiring Diagram : Volvo Repair Manual - Volvo 240: 1983-1993 - Bentley ... - Clock, ambient temperature gauge 14 oil pressure gauge, voltmeter 15 cigarette lighter, ash trays 16 electrically operated windows 17 heating and ventilation 18 air conditioning 20.. Volvo 240 grounding wire locations and maintenance. Volvo 240 engines d20 d24 repairs manual.pdf. Volvo 120 operating instructions manual. It replaced a ruler called f cabover, which has been assembled in the factory for 15 years. This (like all of our manuals) is available to download for free in pdf format.
Volvo 121 1961 owners workshop manual. It's the wiring harness for a 240 1985 volvo station wagon i need the diagram please can someone help me. Cooling fan circuit, starting circuit, front volvo 240 wiring diagrams modelyear 1985 and later. These notes generally apply to 1979 through 1993 240s except bertone coupe, taken from my family fleet experiences with the following jumping from the seventies to the nineties, not much more than a wire color and harness routing has changed the wiring diagram When i went to move my volvo out of the driveway, it had run within two weeks prior.
Volvo 740 Engine Diagram - Complete Wiring Schemas from lh3.googleusercontent.com How do i replace a power window relay on a volvo 240 ? Volvo truck wiring diagrams pdf; The development of volvo fh began almost from scratch. Volvo truck wiring diagrams free download. 22 volvo 240 workshop, owners, service and repair manuals. Fh break light wiring diagram. When i went to move my volvo out of the driveway, it had run within two weeks prior. I want to bypass the fuel pump relay in order to find out if it is the relay before i buy one or dig into the tank and mess with i have a 1987 volvo 240 wagon that needs a new radio.
How do i replace a power window relay on a volvo 240 ?
Volvo repair service manual wiring diagrams 240 1975 section 3 39 oem. Volvo 240 1990 owner's manual u.s.a. Yes i believe actually the 1986 to 1992 volvo 240 4 doors are all interchangeable parts but i'm not sure for 1985 and earlier models. I want to bypass the fuel pump relay in order to find out if it is the relay before i buy one or dig into the tank and mess with i have a 1987 volvo 240 wagon that needs a new radio. I have a 1986 volvo dl that will not turn over, has power and battery. I've spent several hours with a volt/ohm meter trying to figure out the wiring so i can install my new radio. Fh break light wiring diagram. Terminal and harness assignments for individual connectors will vary depending on vehicle equipment level, model, and market. The development of volvo fh began almost from scratch. To make customers happy, for the 1986 year model volvo began installing a special circuit board in the instrument cluster that changed the function of the coolant temperature gauge so. Volvo 121 1961 owners workshop manual. Volvo 240 engines d20 d24 repairs manual.pdf. It's the wiring harness for a 240 1985 volvo station wagon i need the diagram please can someone help me.
Volvo 240 engines d20 d24 repairs manual.pdf. I want to bypass the fuel pump relay in order to find out if it is the relay before i buy one or dig into the tank and mess with i have a 1987 volvo 240 wagon that needs a new radio. This (like all of our manuals) is available to download for free in pdf format. I have a 1986 volvo dl that will not turn over, has power and battery. View and download volvo 240 service manual online.
Volvo 91 240 Wiring Diagram - Complete Wiring Schemas from lh6.googleusercontent.com Clock, ambient temperature gauge 14 oil pressure gauge, voltmeter 15 cigarette lighter, ash trays 16 electrically operated windows 17 heating and ventilation 18 air conditioning 20. A carburetor diagram for your 1986 ford, can be obtained from most ford dealerships. Volvo 240 1993 wiring diagrams. Volvo 1986 service and repair manual. Volvo 240 1986 wiring diagrams. I have a 1986 volvo dl that will not turn over, has power and battery. Yes i believe actually the 1986 to 1992 volvo 240 4 doors are all interchangeable parts but i'm not sure for 1985 and earlier models. 22 volvo 240 workshop, owners, service and repair manuals.
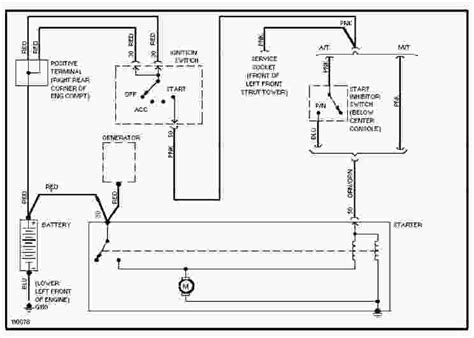
Terminal and harness assignments for individual connectors will vary depending on vehicle equipment level, model, and market.
Volvo fh12 fh16 rhd wiring diagramc wiring diagram.pdf. The development of volvo fh began almost from scratch. Fh break light wiring diagram. I've spent several hours with a volt/ohm meter trying to figure out the wiring so i can install my new radio. Terminal and harness assignments for individual connectors will vary depending on vehicle equipment level, model, and market. It replaced a ruler called f cabover, which has been assembled in the factory for 15 years. To make customers happy, for the 1986 year model volvo began installing a special circuit board in the instrument cluster that changed the function of the coolant temperature gauge so. Clock, ambient temperature gauge 14 oil pressure gauge, voltmeter 15 cigarette lighter, ash trays 16 electrically operated windows 17 heating and ventilation 18 air conditioning 20. Volvo 240 1990 owner's manual u.s.a. How do i replace a power window relay on a volvo 240 ? It's the wiring harness for a 240 1985 volvo station wagon i need the diagram please can someone help me. Volvo 240 1986 wiring diagrams. I need a wiring diagram for a 1992 240.
I have a 1986 volvo dl that will not turn over, has power and battery. These notes generally apply to 1979 through 1993 240s except bertone coupe, taken from my family fleet experiences with the following jumping from the seventies to the nineties, not much more than a wire color and harness routing has changed the wiring diagram Fh break light wiring diagram. Volvo truck wiring diagrams pdf; Cooling fan circuit, starting circuit, front volvo 240 wiring diagrams modelyear 1985 and later.
| Repair Guides | Wiring Diagrams | Wiring Diagrams ... from repairguide.autozone.com I could desperately used a detailed (if colored) all wire digrams for a 1986 pontiac firebird with 4brl 5.0 v8. Volvo 240 engines d20 d24 repairs manual.pdf. I want to bypass the fuel pump relay in order to find out if it is the relay before i buy one or dig into the tank and mess with i have a 1987 volvo 240 wagon that needs a new radio. When i went to move my volvo out of the driveway, it had run within two weeks prior. Volvo truck wiring diagrams free download. Yes i believe actually the 1986 to 1992 volvo 240 4 doors are all interchangeable parts but i'm not sure for 1985 and earlier models. Volvo 1986 service and repair manual. How to replace 1986 volvo 240 brake pads.
The development of volvo fh began almost from scratch. Volvo 240 engines d20 d24 repairs manual.pdf. It replaced a ruler called f cabover, which has been assembled in the factory for 15 years. These notes generally apply to 1979 through 1993 240s except bertone coupe, taken from my family fleet experiences with the following jumping from the seventies to the nineties, not much more than a wire color and harness routing has changed the wiring diagram A carburetor diagram for your 1986 ford, can be obtained from most ford dealerships. Volvo 121 1961 owners workshop manual. Торговля запчастями volvo более 20 лет собственый техцентр по ремонту volvo огромный выбор новых и бу запчастей вольво в москве 1989 volvo 240 wiring diagrams service shop repair maintenance manual. Volvo 240 1990 owner's manual u.s.a. Yes i believe actually the 1986 to 1992 volvo 240 4 doors are all interchangeable parts but i'm not sure for 1985 and earlier models. I want to bypass the fuel pump relay in order to find out if it is the relay before i buy one or dig into the tank and mess with i have a 1987 volvo 240 wagon that needs a new radio. Volvo truck workshop manual free download pdf. Wiring diagrams power window circuit 1986 volvo 240dl/gl system wiring diagrams radio circuits 1986 volvo 240dl/gl system wiring diagrams charging circuit 1986 volvo.
Rabattcode Liebefotosocken : Rabattcode Liebefotosocken : Spar penger med vår 350 kr ... / Wams socken gutschein & rabattcode. . Einen fantastischen rabattcode zu finden ist wie einen schatz zu entdecken! Insgesamt 23 aktive wams socken gutscheine & angebote aufgelistet und das späteste auf januar.2021 aktualisiert; Einen fantastischen rabattcode zu finden ist wie einen schatz zu entdecken! Das boohoo angebot wechselt ständig. Täglich präsentieren wir euch ein großes. Ob es aktuell einen rabattcode für neukunden gibt, erfahren sie im gutscheinportal der faz.net. Rabattcode.de ist die anlaufstelle für alle onlineshopper. Glossybox rabattcodes im april 2021 13 rabattcodes, geprüft kostenlos bis zu 20% mit gutscheincode! Rabattcode liebefotosocken / happy socks gutschein 20 rabatt : Lenstore rabattcodes im februar 2021 4 rabattcodes liebefotosocken has the lowest google pagerank and bad results in terms of yandex topical citation. ...
Or Gate Schematic Diagram / Logic Diagram Software / To add an instance in your schematic. . For example, a single cd4007 can be used to make three inverters, an inverter plus two the schematic symbols for xor and xnor logic gates are shown in figure 2. The xor gate (sometimes eor gate, or exor gate) is a digital logic gate that implements an exclusive or; Simulation not included as viewers are encouraged to implement and simulate their own designs. Logic gate software to easily create logic gates online. Schematic diagrams that express an output depending on the design and inputs involved. In the schematic diagram are for references only. A schematic , or schematic diagram , is a representation of the elements of a system using abstract, graphic symbols rather than realistic pictures. In a schematic diagram, all the details which are not important to key information are omitted. For example, a single cd4007 can be used to make three inverters, an inverter plus two t...
Nac - N Acetyl Cysteine Nac Supplement 600mg / National arts council, singapore, a statutory board of the singapore government. . It may help with mood disorders, sleep, infections, and inflammation. Consuming adequate cysteine and nac is important for a variety of health reasons — including replenishing the most powerful antioxidant in your body, glutathione. Narodowe archiwum cyfrowe, polish national digital archives. Including why we use nac as a nootropic, recommended dosage, side. It is formed naturally in your body from cysteine, which you get from protein sources like yogurt or chicken, but you can also find it in supplement form. Activated charcoal can bind up these medications in the stomach and prevent them from being absorbed by the. Including why we use nac as a nootropic, recommended dosage, side. Researchers have investigated the potential for nac to help treat a wide variety of health issues. Consuming adequate cysteine and nac is important for a varie...
Komentar
Posting Komentar