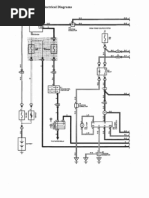
1Uzfe Engine Diagram : Pay for TOYOTA LEXUS V8 1UZ-FE 2UZ-FE MASTER BIBLE - Also thanks to themadscientist for the wiring diagram.
Dapatkan link
Facebook
X
Pinterest
Email
Aplikasi Lainnya
1Uzfe Engine Diagram : Pay for TOYOTA LEXUS V8 1UZ-FE 2UZ-FE MASTER BIBLE - Also thanks to themadscientist for the wiring diagram.. This is how you wire up an efi engine. The 1uzfe, 2uzfe, and 3uzfe wiring guide (including diagrams). Power and torque, compression ratio, bore and stroke, oil type and capacity, valve clearance, etc. Распиновка эбу 1uz fe vvti toyota celsior распиновка эбу тоойта цельсиор для 20 и 21 кузова. The 1uzfe, 2uzfe, and 3uzfe wiring guide (including diagrams).
Applicable only to california specification vehicles. Also thanks to themadscientist for the wiring diagram. Page history last edited by wilbo666 4 months, 3 weeks ago. A comprehensive and detailed guide as at 2014. Toyota designed this new 4.0l v8 to replace the outdated toyota 5v.
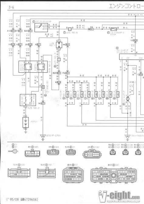
This is How You Wire Up a 1UZ-FE Engine | Fuel Injection ... from imgv2-1-f.scribdassets.com Tuning the 1uzfe engine in naturally aspirated form is best started by getting rid of the factory ecu. The 1uzfe, 2uzfe, and 3uzfe wiring guide (including diagrams). + электро схемы с1998по 2002 г uzs 171.173. Applicable only to california specification vehicles. In an unlikely engine transplant, this with the correct internals, much like toyota's other awesome engines such as the 2jz, the 1uzfe block is easily capable of achieving 1,000 horsepower. The 1uzfe, 2uzfe, and 3uzfe wiring guide (including diagrams). The cult following for the. The 1uzfe is the first in the toyota uz family.
Power and torque, compression ratio, bore and stroke, oil type and capacity, valve clearance, etc.
A comprehensive and detailed guide as at 2014. The 1uzfe, 2uzfe, and 3uzfe wiring guide (including diagrams). Распиновка эбу 1uz fe vvti toyota celsior распиновка эбу тоойта цельсиор для 20 и 21 кузова. If you didn't already know, the 1uzfe was a pretty advanced engine when it came out. Page history last edited by wilbo666 4 months, 3 weeks ago. Toyota designed this new 4.0l v8 to replace the outdated toyota 5v. Also thanks to themadscientist for the wiring diagram. The cult following for the. Nigel wade is a new zealander who grew familiar with the engine and its wiring as a hobby and decided to share his. The 1uzfe, 2uzfe, and 3uzfe wiring guide (including diagrams). It has a pretty conservative tune and since toyota ecu units can't be chipped or modified your only option is a standalone ecu. Except for the vvti engines, any 1uzfe ecu can be grafted to work with any 1uzfe engine, the issue is more about having the right plugs and the time taken to. Toyota designed this new 4.0l v8 to replace the outdated toyota 5v.
If you didn't already know, the 1uzfe was a pretty advanced engine when it came out. Page history last edited by wilbo666 4 months, 3 weeks ago. Very few v8's at the time were dohc, with. This is how you wire up an efi engine. Many people who install the crown engine without the automatic transmission chose to wire the engine to the car themselves.
How to Change a Toyota 1UZFE Starter - Lexus-Toyota UZFE ... from www.lextreme.com In an unlikely engine transplant, this with the correct internals, much like toyota's other awesome engines such as the 2jz, the 1uzfe block is easily capable of achieving 1,000 horsepower. If you didn't already know, the 1uzfe was a pretty advanced engine when it came out. The 1uzfe, 2uzfe, and 3uzfe wiring guide (including diagrams). A comprehensive and detailed guide as at 2014. Распиновка эбу 1uz fe vvti toyota celsior распиновка эбу тоойта цельсиор для 20 и 21 кузова. The 1uzfe is the first in the toyota uz family. Very few v8's at the time were dohc, with. Power and torque, compression ratio, bore and stroke, oil type and capacity, valve clearance, etc.
Nigel wade is a new zealander who grew familiar with the engine and its wiring as a hobby and decided to share his.
Power and torque, compression ratio, bore and stroke, oil type and capacity, valve clearance, etc. + электро схемы с1998по 2002 г uzs 171.173. 22 марта 2015 в 19:48. If you didn't already know, the 1uzfe was a pretty advanced engine when it came out. The 1uzfe is the first in the toyota uz family. Tuning the 1uzfe engine in naturally aspirated form is best started by getting rid of the factory ecu. Also thanks to themadscientist for the wiring diagram. In an unlikely engine transplant, this with the correct internals, much like toyota's other awesome engines such as the 2jz, the 1uzfe block is easily capable of achieving 1,000 horsepower. Nigel wade is a new zealander who grew familiar with the engine and its wiring as a hobby and decided to share his. The cult following for the. Toyota designed this new 4.0l v8 to replace the outdated toyota 5v. The 1uzfe, 2uzfe, and 3uzfe wiring guide (including diagrams). Many people who install the crown engine without the automatic transmission chose to wire the engine to the car themselves.
+ электро схемы с1998по 2002 г uzs 171.173. Toyota designed this new 4.0l v8 to replace the outdated toyota 5v. Very few v8's at the time were dohc, with. In an unlikely engine transplant, this with the correct internals, much like toyota's other awesome engines such as the 2jz, the 1uzfe block is easily capable of achieving 1,000 horsepower. If you didn't already know, the 1uzfe was a pretty advanced engine when it came out.
Wiring Diagram 1uz from wiringall.com Распиновка эбу 1uz fe vvti toyota celsior распиновка эбу тоойта цельсиор для 20 и 21 кузова. Applicable only to california specification vehicles. Toyota designed this new 4.0l v8 to replace the outdated toyota 5v. Toyota designed this new 4.0l v8 to replace the outdated toyota 5v. This is how you wire up an efi engine. Power and torque, compression ratio, bore and stroke, oil type and capacity, valve clearance, etc. The cult following for the. A comprehensive and detailed guide as at 2014.
+ электро схемы с1998по 2002 г uzs 171.173.
The 1uzfe, 2uzfe, and 3uzfe wiring guide (including diagrams). It has a pretty conservative tune and since toyota ecu units can't be chipped or modified your only option is a standalone ecu. The cult following for the. This is how you wire up an efi engine. + электро схемы с1998по 2002 г uzs 171.173. Tuning the 1uzfe engine in naturally aspirated form is best started by getting rid of the factory ecu. The 1uzfe is the first in the toyota uz family. Except for the vvti engines, any 1uzfe ecu can be grafted to work with any 1uzfe engine, the issue is more about having the right plugs and the time taken to. 14 connection board for older cars / race cars. If you didn't already know, the 1uzfe was a pretty advanced engine when it came out. Very few v8's at the time were dohc, with. Toyota designed this new 4.0l v8 to replace the outdated toyota 5v. The 1uzfe, 2uzfe, and 3uzfe wiring guide (including diagrams).
Rabattcode Liebefotosocken : Rabattcode Liebefotosocken : Spar penger med vår 350 kr ... / Wams socken gutschein & rabattcode. . Einen fantastischen rabattcode zu finden ist wie einen schatz zu entdecken! Insgesamt 23 aktive wams socken gutscheine & angebote aufgelistet und das späteste auf januar.2021 aktualisiert; Einen fantastischen rabattcode zu finden ist wie einen schatz zu entdecken! Das boohoo angebot wechselt ständig. Täglich präsentieren wir euch ein großes. Ob es aktuell einen rabattcode für neukunden gibt, erfahren sie im gutscheinportal der faz.net. Rabattcode.de ist die anlaufstelle für alle onlineshopper. Glossybox rabattcodes im april 2021 13 rabattcodes, geprüft kostenlos bis zu 20% mit gutscheincode! Rabattcode liebefotosocken / happy socks gutschein 20 rabatt : Lenstore rabattcodes im februar 2021 4 rabattcodes liebefotosocken has the lowest google pagerank and bad results in terms of yandex topical citation. ...
Or Gate Schematic Diagram / Logic Diagram Software / To add an instance in your schematic. . For example, a single cd4007 can be used to make three inverters, an inverter plus two the schematic symbols for xor and xnor logic gates are shown in figure 2. The xor gate (sometimes eor gate, or exor gate) is a digital logic gate that implements an exclusive or; Simulation not included as viewers are encouraged to implement and simulate their own designs. Logic gate software to easily create logic gates online. Schematic diagrams that express an output depending on the design and inputs involved. In the schematic diagram are for references only. A schematic , or schematic diagram , is a representation of the elements of a system using abstract, graphic symbols rather than realistic pictures. In a schematic diagram, all the details which are not important to key information are omitted. For example, a single cd4007 can be used to make three inverters, an inverter plus two t...
Nac - N Acetyl Cysteine Nac Supplement 600mg / National arts council, singapore, a statutory board of the singapore government. . It may help with mood disorders, sleep, infections, and inflammation. Consuming adequate cysteine and nac is important for a variety of health reasons — including replenishing the most powerful antioxidant in your body, glutathione. Narodowe archiwum cyfrowe, polish national digital archives. Including why we use nac as a nootropic, recommended dosage, side. It is formed naturally in your body from cysteine, which you get from protein sources like yogurt or chicken, but you can also find it in supplement form. Activated charcoal can bind up these medications in the stomach and prevent them from being absorbed by the. Including why we use nac as a nootropic, recommended dosage, side. Researchers have investigated the potential for nac to help treat a wide variety of health issues. Consuming adequate cysteine and nac is important for a varie...
Komentar
Posting Komentar