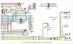
2000 Chevy Silverado Radio Wiring Diagram : 2000 Chevy 3500 6 5 Wiring Diagram Wiring Diagram Brain Data A Brain Data A Disnar It : Use this chevy silverado stereo wiring schematic to install an aftermarket stereo or factory radio into your chevy truck.
Dapatkan link
Facebook
X
Pinterest
Email
Aplikasi Lainnya
2000 Chevy Silverado Radio Wiring Diagram : 2000 Chevy 3500 6 5 Wiring Diagram Wiring Diagram Brain Data A Brain Data A Disnar It : Use this chevy silverado stereo wiring schematic to install an aftermarket stereo or factory radio into your chevy truck.. Does anyone have a copy of a wiring diagram for a 2005 silverado? Installing a stereo into your chevy silverado is easy to do with our truck audio wiring diagram. It fit my 2001 chevy silverado perfectly. Where can i find a wiring chart or diagram for my 2001 chevy cavalier factory radio. Below are some of the top illustrations we get from numerous sources, we wish these pictures will be useful to you, and ideally very pertinent to just what you want regarding the 04 chevy.
Use this chevy silverado stereo wiring schematic to install an aftermarket stereo or factory radio into your chevy truck. 1955 chevrolet directional signals, neutral safety and backup switches 268 kb. Check this for 2000 chevrolet silverado c1500 car stereo wiring diagram. In some of the international chevrolet silverado i: Listed below is the vehicle specific wiring diagram for your car alarm, remote starter or keyless entry installation into your 1998.
Stereo Wiring Harness For 2002 Chevy Silverado Ktm 620 Lc4 Wiring Diagram For Wiring Diagram Schematics from i.ytimg.com Wiring diagram for 2000 chevrolet silverado 2500. 2003 chevy silverado wiring diagram. Check this for 2000 chevrolet silverado c1500 car stereo wiring diagram. Wiring diagrams, spare parts catalogue, fault codes free download. I need the wiring diagram on a 2000 chevy express 1500 cargo van. My only problem is i only have one yellow wire, and i need 2 there is one for the rear speaker. Having a chevrolet radio wiring diagram makes installing a car radio easy. Chevrolet wiring diagram v8 1959 electrical system 189 kb.
Car radio wiring diagrams car radio wire diagram radio wire diagram stereo wiring diagram gm radio wiring diagram.
It's in a 2003 chevy silverado ss. Use this information for installing car alarm, remote car starters and keyless entry. Hi, i need a wiring diagram for a 2001 chevy silverado 3500(dually) ls package. Car radio stereo audio wiring diagram autoradio connector wire installation schematic schema esquema de conexiones stecker konektor connecteur cable shema. I've looked at other 2001 silverado diagrams but they. In some of the international chevrolet silverado i: I've seen several wiring diagrams but!. 2005 chevy truck silverado fuel system parts and components. Light duty full size silverado/sierra truck electrical manuals. If it is a factory radio,the dealer will tell you for free.i see alot of this same issue on here.if it is not a factory stereo or you have questions,just reply to this comment and i will get an auto email.good luck! 2000 chevy cavalier wiring diagram needed. Where can i find a wiring chart or diagram for my 2001 chevy cavalier factory radio. 800 x 600 px, source:
2003 chevy silverado radio wiring diagram. These are prepared for transfer if you want and want to own it click save logo on the post and itll be instantly downloaded in your computer. My only problem is i only have one yellow wire, and i need 2 there is one for the rear speaker. Carlos, if u are trying to hook up an after market radio i strongly suggest that you buy a wire harness that plug in to ur factory harness out the back of ur. If it is a factory radio,the dealer will tell you for free.i see alot of this same issue on here.if it is not a factory stereo or you have questions,just reply to this comment and i will get an auto email.good luck!
2000 Chevy Silverado Radio Wiring Wiring Diagram Die Suspension B Die Suspension B Casatecla It from ww2.justanswer.com I'm trying to locate a wiring harness for my new stereo that i want to install into my 2000 chevy cavalier, but i'm having a difficult time find one. Light duty full size silverado/sierra truck electrical manuals. Lift the cover for access to the fuse/relay block. It's in a 2003 chevy silverado ss. Chevy truck forum | silverado sierra gmc truck forums. You can find the radio wiring diagram for the 2007 silverado online at places like modified life. Image result for drl wiring schematics 03 silverado. There are several generations of this popular chevy truck, and today i'll be showing.
Assignment of the fuses (1999).
Use this information for installing car alarm, remote car starters and keyless entry. Below are some of the top illustrations we get from numerous sources, we wish these pictures will be useful to you, and ideally very pertinent to just what you want regarding the 04 chevy. I have been looking for a bose amp wiring diagram for a 2003 gmc yukon and have had no luck. This means the car had four doors. Lift the cover for access to the fuse/relay block. 800 x 600 px, source: Wiring diagram for 2000 chevrolet silverado 2500. Chevrolet silverado 1500, chevrolet silverado 2500. 2007 chevrolet silverado car stereo radio wiring diagram. 2001 silverado radio wiring harness chevy 2500hd in 2004 stereo, size: Assignment of the fuses (1999). I need the wiring diagram on a 2000 chevy express 1500 cargo van. It's in a 2003 chevy silverado ss.
Pdf documents that include descriptions and operation information on the body control system, datalink comm, bcm, headlamp, trailer wiring, brake control, junction. 2000 chevy silverado ignition wiring diagram base website interactivehrdiagram bibliotecheinrete it security system egnater kayu kunyit drwing 36 turismoderuta ookr 9704 gm radio wire 2000 chevy silverado wiring schematic thank you for visiting our site, this is images about 2000 chevy silverado. 800 x 600 px, source: Im installing a jvc aftermarket deck and am having trouble connecting the wires. Installing a stereo into your chevy silverado is easy to do with our truck audio wiring diagram.
Stereo Wiring Harness For 2002 Chevy Silverado Ktm 620 Lc4 Wiring Diagram For Wiring Diagram Schematics from i.ytimg.com Does anyone have a copy of a wiring diagram for a 2005 silverado? 1955 chevrolet car wiring diagrams 3 mb. 800 x 600 px, source: There are several generations of this popular chevy truck, and today i'll be showing. 2007 chevrolet silverado car stereo radio wiring diagram. What you trying to do with it? Wiring diagram for 2000 chevrolet silverado 2500. Check this for 2000 chevrolet silverado c1500 car stereo wiring diagram.
Image result for drl wiring schematics 03 silverado.
1955 chevrolet car wiring diagrams 3 mb. The following schematic shows the 2003 chevrolet silverado horn system circuit and wiring diagram. I've seen several wiring diagrams but!. Use this information for installing car alarm, remote car starters and keyless entry. 2001 silverado radio wiring harness chevy 2500hd in 2004 stereo, size: 800 x 600 px, source: There are several generations of this popular chevy truck, and today i'll be showing. Chevrolet wiring diagram v8 1959 electrical system 189 kb. Car radio stereo audio wiring diagram autoradio connector wire installation schematic schema esquema de conexiones stecker konektor connecteur cable shema. I've looked at other 2001 silverado diagrams but they. Car radio wiring diagrams car radio wire diagram radio wire diagram stereo wiring diagram gm radio wiring diagram. Pdf documents that include descriptions and operation information on the body control system, datalink comm, bcm, headlamp, trailer wiring, brake control, junction. 2000 chevy silverado ignition wiring diagram base website interactivehrdiagram bibliotecheinrete it security system egnater kayu kunyit drwing 36 turismoderuta ookr 9704 gm radio wire 2000 chevy silverado wiring schematic thank you for visiting our site, this is images about 2000 chevy silverado.
Rabattcode Liebefotosocken : Rabattcode Liebefotosocken : Spar penger med vår 350 kr ... / Wams socken gutschein & rabattcode. . Einen fantastischen rabattcode zu finden ist wie einen schatz zu entdecken! Insgesamt 23 aktive wams socken gutscheine & angebote aufgelistet und das späteste auf januar.2021 aktualisiert; Einen fantastischen rabattcode zu finden ist wie einen schatz zu entdecken! Das boohoo angebot wechselt ständig. Täglich präsentieren wir euch ein großes. Ob es aktuell einen rabattcode für neukunden gibt, erfahren sie im gutscheinportal der faz.net. Rabattcode.de ist die anlaufstelle für alle onlineshopper. Glossybox rabattcodes im april 2021 13 rabattcodes, geprüft kostenlos bis zu 20% mit gutscheincode! Rabattcode liebefotosocken / happy socks gutschein 20 rabatt : Lenstore rabattcodes im februar 2021 4 rabattcodes liebefotosocken has the lowest google pagerank and bad results in terms of yandex topical citation. ...
Or Gate Schematic Diagram / Logic Diagram Software / To add an instance in your schematic. . For example, a single cd4007 can be used to make three inverters, an inverter plus two the schematic symbols for xor and xnor logic gates are shown in figure 2. The xor gate (sometimes eor gate, or exor gate) is a digital logic gate that implements an exclusive or; Simulation not included as viewers are encouraged to implement and simulate their own designs. Logic gate software to easily create logic gates online. Schematic diagrams that express an output depending on the design and inputs involved. In the schematic diagram are for references only. A schematic , or schematic diagram , is a representation of the elements of a system using abstract, graphic symbols rather than realistic pictures. In a schematic diagram, all the details which are not important to key information are omitted. For example, a single cd4007 can be used to make three inverters, an inverter plus two t...
Nac - N Acetyl Cysteine Nac Supplement 600mg / National arts council, singapore, a statutory board of the singapore government. . It may help with mood disorders, sleep, infections, and inflammation. Consuming adequate cysteine and nac is important for a variety of health reasons — including replenishing the most powerful antioxidant in your body, glutathione. Narodowe archiwum cyfrowe, polish national digital archives. Including why we use nac as a nootropic, recommended dosage, side. It is formed naturally in your body from cysteine, which you get from protein sources like yogurt or chicken, but you can also find it in supplement form. Activated charcoal can bind up these medications in the stomach and prevent them from being absorbed by the. Including why we use nac as a nootropic, recommended dosage, side. Researchers have investigated the potential for nac to help treat a wide variety of health issues. Consuming adequate cysteine and nac is important for a varie...
Komentar
Posting Komentar