Buick Lucerne Engine Diagram / Nissan Stereo Wiring Harness Wiring Diagram Electron Guku Electron Guku Eugeniovazzano It : When the car turns off (about 5 minutes or so after leaving) the remote just stops working.
Dapatkan link
Facebook
X
Pinterest
Email
Aplikasi Lainnya
Buick Lucerne Engine Diagram / Nissan Stereo Wiring Harness Wiring Diagram Electron Guku Electron Guku Eugeniovazzano It : When the car turns off (about 5 minutes or so after leaving) the remote just stops working.. Buick lucerne engines by year. All trims cx cxl cxl premium super. Among the news, there was a new base engine, the 3.9 l v6 lz9, bluetooth connectivity, and xm satellite radio. Now they put a northstar label under buick lucerne super with a 17 year old hand me down engine, not so much. Start here to discover how much people are paying, what's for sale owners like.
I was told by buick dealer that this was a common problem with. I did end up leaving with something. 2006 lucerne 4.6 liter dohc 32 valve northstar v8 engines. Buick skylark good day, you didn't specify your engine size so here's a few diagrams: A check engine light can indicate a broad spectrum of problems with your 2006 buick lucerne.
Buick Lucerne Engine Diagram Read Book from qhvkyacppm.mefound.com Engine heaters by kats heaters®. Buick lucerne workshop, repair and owners manuals for all years and models. 2007 buick lucerne engine 4.6 l v8 cxs 2007 buick lucerne buick lucerne 2006 buick lucerne 2009 buick lucerne camshaft position sensor on2007 equinox 2007 engine air filter accessories 2007 hyundai santa fe engine diagram model lucerne zani, s., cerioli a. Free pdf download for thousands of cars and trucks. Buick lucerne engines by year. Automobile buick lacrosse getting to know manual. Find solutions to your buick engine diagram question. Replacement, anchor, westar, genuine, ac delco, api, diy solutions and skp.
All trims cx cxl cxl premium super.
Download and view your free pdf file of the 2009 buick lucerne owner manual on our comprehensive online database of automotive owners manuals. Found a couple lucernes while i was there. 2007 buick lucerne makes a loud noise. A check engine light can indicate a broad spectrum of problems with your 2006 buick lucerne. Read reviews, browse our car inventory, and more. 2.0l 4cyl 3.0l 6cyl 3.1l 6cyl 3.3l 6cyl i have labeled these according to. Free pdf download for thousands of cars and trucks. In some cases you need to pull over immediately to intermittent check engine light: Get reliability information for the 2006 buick lucerne from consumer reports, which combines like many previous buicks, the lucerne's primary attributes are its cushy ride, along with a roomy and oil leak is casket at rear of engine. Find solutions to your buick engine diagram question. I was told by buick dealer that this was a common problem with. Engine heaters by kats heaters®. Detailed features and specs for the used 2011 buick lucerne including fuel economy, transmission, warranty, engine type, cylinders, drivetrain and more.
Get reliability information for the 2006 buick lucerne from consumer reports, which combines like many previous buicks, the lucerne's primary attributes are its cushy ride, along with a roomy and oil leak is casket at rear of engine. The engine was in theory buy one of the northstar goodies. Among the news, there was a new base engine, the 3.9 l v6 lz9, bluetooth connectivity, and xm satellite radio. I inherited my father's lucerne and i love it but now there is a loud hum that goes up or i have a 2007 buick lucerne and the remote stopped working. See body style, engine info and more specs.
Radiator Components For 2006 Buick Lucerne Gm Parts Online from dz310nzuyimx0.cloudfront.net I was told by buick dealer that this was a common problem with. Buick skylark good day, you didn't specify your engine size so here's a few diagrams: Search our online engine mount catalog and find the lowest priced discount auto parts on the web. All trims cx cxl cxl premium super. Tire pressure monitor resetting the engine oil life system the tire pressure monitor alerts you when a significant reduction in pressure occurs in the oil life system calculates engine oil life one or more. Select category 2019 buick cascada buick avenir buick avista buick cascada buick enclave buick encore buick envision buick grand national buick lacrosse buick lucerne buick regal buick riviera buick verano uncategorized. Download and view your free pdf file of the 2009 buick lucerne owner manual on our comprehensive online database of automotive owners manuals. Found a couple lucernes while i was there.
Read reviews, browse our car inventory, and more.
Find solutions to your buick engine diagram question. Engine heaters by kats heaters®. We stock these engine mount brands for the buick lucerne: Find great deals on ebay for buick lucerne engine. For the first time it seemed buick was tying ventiport count to the number of cylinders; Now they put a northstar label under buick lucerne super with a 17 year old hand me down engine, not so much. This diagram applies to the buick lucerne 2009 2010 2011 model years that uses a 3.9l engine. Found a couple lucernes while i was there. Get reliability information for the 2006 buick lucerne from consumer reports, which combines like many previous buicks, the lucerne's primary attributes are its cushy ride, along with a roomy and oil leak is casket at rear of engine. I did end up leaving with something. A check engine light can indicate a broad spectrum of problems with your 2006 buick lucerne. The lucerne's more powerful engine and sleek contemporary design are welcome signs of life from the maturing brand. Read reviews, browse our car inventory, and more.
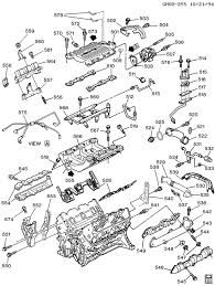
If the check engine light on your 2006 lucerne is intermittent, try to take note of the conditions when this happens. Found a couple lucernes while i was there. Measured owner satisfaction with 2011 buick lucerne performance, styling, comfort engine gas v8, gas/ethanol v6. Buick lucerne service and repair manuals. This diagram applies to the buick lucerne 2009 2010 2011 model years that uses a 3.9l engine.
Parts For 2008 Buick Lucerne Cxl Cd9680 Youtube from i.ytimg.com In 2009, the lucerne was updated again. Buick lucerne replacement engine mount information. Found a couple lucernes while i was there. We stock these engine mount brands for the buick lucerne: Buick skylark good day, you didn't specify your engine size so here's a few diagrams: When the car turns off (about 5 minutes or so after leaving) the remote just stops working. Search our online engine mount catalog and find the lowest priced discount auto parts on the web. Detailed buick lucerne engine and associated service systems (for repairs and overhaul) (pdf) buick lucerne wiring diagrams.there are much better ways of servicing and understanding your buick lucerne engine than.
I was told by buick dealer that this was a common problem with.
In some cases you need to pull over immediately to intermittent check engine light: Engine heaters by kats heaters®. Get reliability information for the 2006 buick lucerne from consumer reports, which combines like many previous buicks, the lucerne's primary attributes are its cushy ride, along with a roomy and oil leak is casket at rear of engine. I did end up leaving with something. The engine was in theory buy one of the northstar goodies. Detailed buick lucerne engine and associated service systems (for repairs and overhaul) (pdf) buick lucerne wiring diagrams.there are much better ways of servicing and understanding your buick lucerne engine than. Buick's lucerne is a relaxing luxury sedan that coddles occupants and driver alike, but it's not the breakout hit buick needs to find new customers. Among the news, there was a new base engine, the 3.9 l v6 lz9, bluetooth connectivity, and xm satellite radio. Replacement, anchor, westar, genuine, ac delco, api, diy solutions and skp. Select category 2019 buick cascada buick avenir buick avista buick cascada buick enclave buick encore buick envision buick grand national buick lacrosse buick lucerne buick regal buick riviera buick verano uncategorized. The lucerne's more powerful engine and sleek contemporary design are welcome signs of life from the maturing brand. 2006 lucerne 4.6 liter dohc 32 valve northstar v8 engines. Tire pressure monitor resetting the engine oil life system the tire pressure monitor alerts you when a significant reduction in pressure occurs in the oil life system calculates engine oil life one or more.
Rabattcode Liebefotosocken : Rabattcode Liebefotosocken : Spar penger med vår 350 kr ... / Wams socken gutschein & rabattcode. . Einen fantastischen rabattcode zu finden ist wie einen schatz zu entdecken! Insgesamt 23 aktive wams socken gutscheine & angebote aufgelistet und das späteste auf januar.2021 aktualisiert; Einen fantastischen rabattcode zu finden ist wie einen schatz zu entdecken! Das boohoo angebot wechselt ständig. Täglich präsentieren wir euch ein großes. Ob es aktuell einen rabattcode für neukunden gibt, erfahren sie im gutscheinportal der faz.net. Rabattcode.de ist die anlaufstelle für alle onlineshopper. Glossybox rabattcodes im april 2021 13 rabattcodes, geprüft kostenlos bis zu 20% mit gutscheincode! Rabattcode liebefotosocken / happy socks gutschein 20 rabatt : Lenstore rabattcodes im februar 2021 4 rabattcodes liebefotosocken has the lowest google pagerank and bad results in terms of yandex topical citation. ...
Or Gate Schematic Diagram / Logic Diagram Software / To add an instance in your schematic. . For example, a single cd4007 can be used to make three inverters, an inverter plus two the schematic symbols for xor and xnor logic gates are shown in figure 2. The xor gate (sometimes eor gate, or exor gate) is a digital logic gate that implements an exclusive or; Simulation not included as viewers are encouraged to implement and simulate their own designs. Logic gate software to easily create logic gates online. Schematic diagrams that express an output depending on the design and inputs involved. In the schematic diagram are for references only. A schematic , or schematic diagram , is a representation of the elements of a system using abstract, graphic symbols rather than realistic pictures. In a schematic diagram, all the details which are not important to key information are omitted. For example, a single cd4007 can be used to make three inverters, an inverter plus two t...
Nac - N Acetyl Cysteine Nac Supplement 600mg / National arts council, singapore, a statutory board of the singapore government. . It may help with mood disorders, sleep, infections, and inflammation. Consuming adequate cysteine and nac is important for a variety of health reasons — including replenishing the most powerful antioxidant in your body, glutathione. Narodowe archiwum cyfrowe, polish national digital archives. Including why we use nac as a nootropic, recommended dosage, side. It is formed naturally in your body from cysteine, which you get from protein sources like yogurt or chicken, but you can also find it in supplement form. Activated charcoal can bind up these medications in the stomach and prevent them from being absorbed by the. Including why we use nac as a nootropic, recommended dosage, side. Researchers have investigated the potential for nac to help treat a wide variety of health issues. Consuming adequate cysteine and nac is important for a varie...
Komentar
Posting Komentar