Cadillac Escalade Power Window Wiring Diagram : 2000 Escalade Window Wiring Diagram Schematic Home Wiring Diagram Color Cars Fuseboxs Au Delice Limousin Fr : 22 additional power, delay headlights.
Dapatkan link
Facebook
X
Pinterest
Email
Aplikasi Lainnya
Cadillac Escalade Power Window Wiring Diagram : 2000 Escalade Window Wiring Diagram Schematic Home Wiring Diagram Color Cars Fuseboxs Au Delice Limousin Fr : 22 additional power, delay headlights.. Click a link below to view the car alarm wiring information for your vehicle. Creating an electrical scheme is of primary importance for making an electrical installation. The vehicles with the most documents are the cts, escalade and srx. How to make a civil wiring diagram. 2001, 2002, 2003, 2004, 2005, 2006).
These cars have the bulk of our pdf's for this manufacturer with 569 between. .manuals, cadillac owners manuals, cadillac wiring diagrams, cadillac sales brochures and general miscellaneous cadillac downloads. Audi 100 service repair manuals pdf. 1955 chevrolet car wiring diagrams 3 mb. Cadillac 1999 escalade owners manual.pdf.
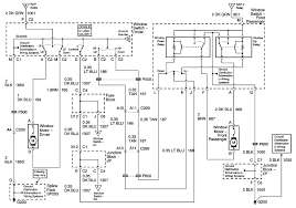
18 Car Window Switch Wiring Diagram Car Diagram Wiringg Net Pontiac Grand Prix Electrical Wiring Diagram Diagram Design from i.pinimg.com 2009 cadillac escalade/escalade esv owner manual m. Pin wire color circuit no. Cadillac 1999 escalade owners manual.pdf. View our complete listing of wiring diagrams by vehicle manufacture. Passenger's side power window circuit breaker. Escalade platinum esv vehicles will be equipped with this feature. Audi 80 schematic wiring diagram. You can also find it at various auto stores in your area.
Wiring diagram for what area?
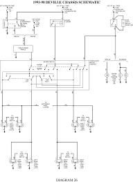
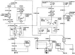
2004 cadillac escalade/escalade esv owner manual m. Cadillac 1999 escalade owners manual.pdf. 23 rear window wiper and washer. Cadillac escalade service & repair manual. There are many categories of circuit and wiring diagrams like automotive, audio circuits, radio & rf circuits, power supply circuits, light circuits, telephone circuits, timer circuits. Let me know if you have more questions, thanks. Fuse box diagram (location and assignment of electrical fuses and relays) for cadillac escalade (gmt 800; These cars have the bulk of our pdf's for this manufacturer with 569 between. Fuse box diagram (location and assignment of electrical fuses and relays) for cadillac escalade (gmt 900; Fuse block (diagram 1 of 2). That wire diagram does show what each wire does. Wiring diagram for what area? 2009 cadillac escalade/escalade esv owner manual m.
Fuse box diagram (location and assignment of electrical fuses and relays) for cadillac escalade (gmt 800; 1996 instrument panel fuse block circuit breaker description c power, windows d power seats fuse description 1 cigar lighter — instrument. Audi 100 service repair manuals pdf. The red/white wire is power and the black wire is ground. 2007, 2008, 2009, 2010, 2011 cigar lighter / power outlet fuses in the cadillac escalade are located in the instrument panel fuse box (see fuses № driver's side power window circuit breaker.
2008 Cadillac Escalade Wiring Diagram Wiring Diagram Replace Cup Analyst Cup Analyst Miramontiseo It from f01.justanswer.com 2004 cadillac escalade/escalade esv owner manual m. This video demonstrates the cadillac escalade complete wiring diagrams and details of the wiring harness. Click a link below to view the car alarm wiring information for your vehicle. That wire diagram does show what each wire does. .manuals, cadillac owners manuals, cadillac wiring diagrams, cadillac sales brochures and general miscellaneous cadillac downloads. If it has both an interior and. How to make a civil wiring diagram. Audi 80 schematic wiring diagram.
2004 cadillac escalade/escalade esv owner manual m.
Let me know if you have more questions, thanks. I need instructions on the location of and how to run wiring to the fuse box for 2013 cadillac escalade ext truck. (rioht rear inner side dodypaniel). There is 10 miles of wiring. Fuse box diagram (location and assignment of electrical fuses and relays) for cadillac escalade (gmt 800; Click a link below to view the car alarm wiring information for your vehicle. Wiring diagram for what area? Memory seat module (msm) power, ground and driver seat adjuster switch. Passenger's side power window circuit breaker. Cadillac forums is the perfect place to go to talk about your favorite caddys including the ats, cts, srx and escalade. There are many categories of circuit and wiring diagrams like automotive, audio circuits, radio & rf circuits, power supply circuits, light circuits, telephone circuits, timer circuits. Looking for a 2011 wiring diagram for the windows have stopped working battery went dead trying to locate the window relay if anybody knows please help me thank you. 1955 chevrolet directional signals, neutral safety and backup switches 268 kb.
Creating an electrical scheme is of primary importance for making an electrical installation. Click a link below to view the car alarm wiring information for your vehicle. 2001, 2002, 2003, 2004, 2005, 2006). These cars have the bulk of our pdf's for this manufacturer with 569 between. General motors, gm, the gm emblem, cadillac, the cadillac crest & wreath, and the names escalade escalade/esv are registered trademarks of general motors corporation.
Wiring Diagram For 2005 Cadillac Escalade Wiring Diagram Direct Fat Produce Fat Produce Siciliabeb It from portal-diagnostov.com Free repair manuals & wiring diagrams. Wiring diagram for what area? Fuse box diagram (location and assignment of electrical fuses and relays) for cadillac escalade (gmt 900; Cadillac escalade service & repair manual. View our complete listing of wiring diagrams by vehicle manufacture. The buttons used to control this feature are if you must drive with the liftgate open or if electrical wiring or other cable connections must pass through the seal between. Fuse block (diagram 1 of 2). 2007, 2008, 2009, 2010, 2011 cigar lighter / power outlet fuses in the cadillac escalade are located in the instrument panel fuse box (see fuses № driver's side power window circuit breaker.
Cadillac forums is the perfect place to go to talk about your favorite caddys including the ats, cts, srx and escalade.
This video demonstrates the cadillac escalade complete wiring diagrams and details of the wiring harness. Wiring diagram for what area? Commando car alarms offers free wiring diagrams for installing your alarm, remote car starter, keyless entry or power door locks in your car or truck. .manuals, cadillac owners manuals, cadillac wiring diagrams, cadillac sales brochures and general miscellaneous cadillac downloads. Cadillac escalade service & repair manual. Power windows and other power options. Diagrams for the following systems are included : The red/white wire is power and the black wire is ground. There is 10 miles of wiring. 2004 cadillac escalade/escalade esv owner manual m. Power windows and other power options. Audi 100 service repair manuals pdf. You can find a 2002 explorer radio wiring diagram in the owner's manual.
Rabattcode Liebefotosocken : Rabattcode Liebefotosocken : Spar penger med vår 350 kr ... / Wams socken gutschein & rabattcode. . Einen fantastischen rabattcode zu finden ist wie einen schatz zu entdecken! Insgesamt 23 aktive wams socken gutscheine & angebote aufgelistet und das späteste auf januar.2021 aktualisiert; Einen fantastischen rabattcode zu finden ist wie einen schatz zu entdecken! Das boohoo angebot wechselt ständig. Täglich präsentieren wir euch ein großes. Ob es aktuell einen rabattcode für neukunden gibt, erfahren sie im gutscheinportal der faz.net. Rabattcode.de ist die anlaufstelle für alle onlineshopper. Glossybox rabattcodes im april 2021 13 rabattcodes, geprüft kostenlos bis zu 20% mit gutscheincode! Rabattcode liebefotosocken / happy socks gutschein 20 rabatt : Lenstore rabattcodes im februar 2021 4 rabattcodes liebefotosocken has the lowest google pagerank and bad results in terms of yandex topical citation. ...
Or Gate Schematic Diagram / Logic Diagram Software / To add an instance in your schematic. . For example, a single cd4007 can be used to make three inverters, an inverter plus two the schematic symbols for xor and xnor logic gates are shown in figure 2. The xor gate (sometimes eor gate, or exor gate) is a digital logic gate that implements an exclusive or; Simulation not included as viewers are encouraged to implement and simulate their own designs. Logic gate software to easily create logic gates online. Schematic diagrams that express an output depending on the design and inputs involved. In the schematic diagram are for references only. A schematic , or schematic diagram , is a representation of the elements of a system using abstract, graphic symbols rather than realistic pictures. In a schematic diagram, all the details which are not important to key information are omitted. For example, a single cd4007 can be used to make three inverters, an inverter plus two t...
Nac - N Acetyl Cysteine Nac Supplement 600mg / National arts council, singapore, a statutory board of the singapore government. . It may help with mood disorders, sleep, infections, and inflammation. Consuming adequate cysteine and nac is important for a variety of health reasons — including replenishing the most powerful antioxidant in your body, glutathione. Narodowe archiwum cyfrowe, polish national digital archives. Including why we use nac as a nootropic, recommended dosage, side. It is formed naturally in your body from cysteine, which you get from protein sources like yogurt or chicken, but you can also find it in supplement form. Activated charcoal can bind up these medications in the stomach and prevent them from being absorbed by the. Including why we use nac as a nootropic, recommended dosage, side. Researchers have investigated the potential for nac to help treat a wide variety of health issues. Consuming adequate cysteine and nac is important for a varie...
Komentar
Posting Komentar